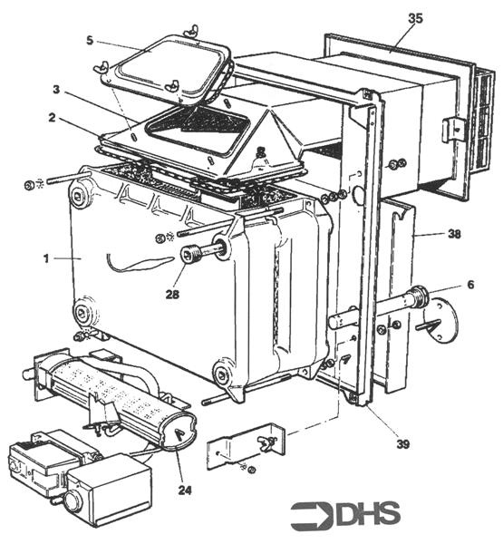
Ideal W2000 RS RS40 - RS45 Propane / BOILER ASSY
Brand: Ideal Range: W2000 Model: RS RS40 - RS45 PROPANE GC Number: 41-421-20
Here you will find all the spare parts for the Ideal W2000 RS RS40 - RS45 Propane. Can't find the part you're looking for? You can contact us and a member of our team will be more than happy to help find the part you need.
All of our boiler manuals are free to download from our boiler manuals section
