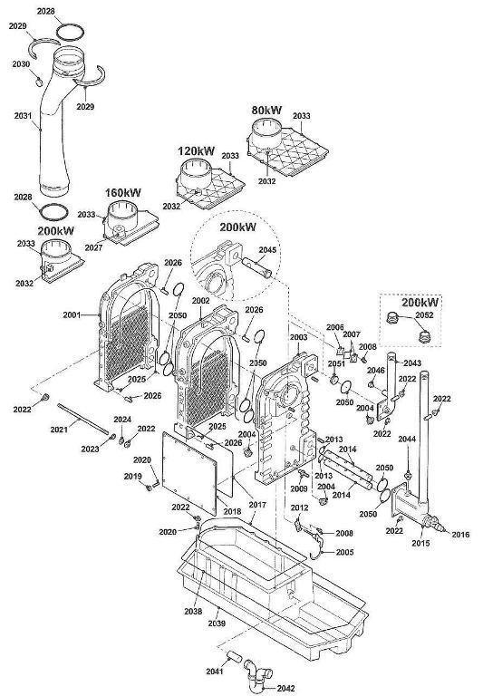
Broag Gas 210 Eco Pro 80KW

We offer a wide range of spare parts for the Broag Gas 210 Eco Pro 80KW. Can't find the part you're looking for? You can contact us (using the details at the bottom of the page) and we'll be happy to help you find the part you need.

All of our boiler manuals are free to download from our boiler manuals section.

ALL PARTS
ALL PARTS
BURNER/FAN ASSEMBLY logo
BURNER/FAN ASSEMBLY
CONTROL PANEL logo
CONTROL PANEL
HEAT EXCHANGER logo
HEAT EXCHANGER
OUTERCASE logo
OUTERCASE