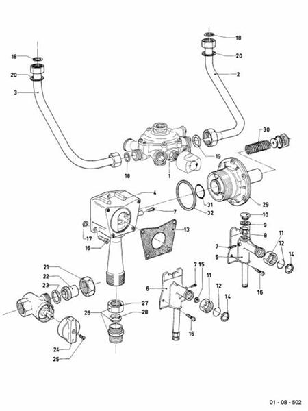
MAG-SINE 325/7 W (1977-1993 ) / CONNECTION PARTS 1

Vaillant 0020085467 Seal - Red 020

Vaillant 0020085467 Seal - Red

Part No: 1374846 MPN: 0020085467

£9.59 inc VAT

In stock - Next day delivery available

014

VAILLANT 981169 PACKING RING (SET OF 10)

Part No: 1378734 MPN: 981169

£8.87 inc VAT

Available in 5-7 working days

VAILLANT 981143 PACKING RING (SET OF 10) 018

VAILLANT 981143 PACKING RING (SET OF 10)

Part No: 1378686 MPN: 981143

£8.87 inc VAT

Available in 5-7 working days

016/017

VAILLANT 235727 SCREW

Part No: 1375121 MPN: 0010027608

£7.91 inc VAT

Available in 5-7 working days

019

VAILLANT 981141 PACKING RING (SET OF 10)

Part No: 1378682 MPN: 981141

£8.87 inc VAT

Available in 5-7 working days

004

VAILLANT 082741 GAS SHUT-OFF VALVE

Part No: 1373053 MPN: 082741

Sorry, this part is now obsolete

View Part Details
004

VAILLANT 137439 TUBE

Part No: 1376072 MPN: 137439

Sorry, this part is now obsolete

View Part Details
002

VAILLANT 083799 COLD WATER TUBE

Part No: 1373080 MPN: 083799

Sorry, this part is now obsolete

View Part Details
009

VAILLANT 981756 PACKING RING

Part No: 1378836 MPN: 981756

Sorry, this part is now obsolete

View Part Details
013

VAIL 980757 PACKING RING - OBSOLETE

Part No: 1378580 MPN: 980757

Sorry, this part is now obsolete

View Part Details
10 products found