Uncategorised for Parkray Chiltern 111 Freestanding

Brand: Parkray Range: CHILTERN Model: 111 FREESTANDING

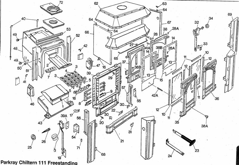
We have a wide range of spare parts for the Parkray Chiltern 111 Freestanding. Can't find the part you're looking for? You can contact us and a member of our team will be more than happy to help find the part you need.

All of our boiler manuals are free to download from our boiler manuals section

You can narrow your results further by choosing one of the following sub-appliances:

11

PARKRAY P150010 SEAL-CHANNEL-TOP & BOTTOM

Part No: 2400676 MPN: P150010

Sorry, this part is now obsolete

View Part Details
28

PARKRAY P150014 CASTING DOOR LATCH-PNTD

Part No: 2400684 MPN: P150014

Sorry, this part is now obsolete

View Part Details
42

PARKRAY P115051 L BOLT-M6X20X20 99 & 111

Part No: 2400258 MPN: P115051

Sorry, this part is now obsolete

View Part Details
53

PARKRAY P115084 SEALING FLANGE TOP (NPF) 111

Part No: 2400274 MPN: P115084

Sorry, this part is now obsolete

View Part Details
40

PARKRAY P115133 TIE BAR 111 VARIOUS

Part No: 2400288 MPN: P115133

Sorry, this part is now obsolete

View Part Details
43

PARKRAY P130090 CASTING BASE-88,99,111C/111G

Part No: 2400476 MPN: P130090

Sorry, this part is now obsolete

View Part Details
22

PARKRAY P130480 AIR CONTROL SLIDE (B+F)

Part No: 2400574 MPN: P130480

Sorry, this part is now obsolete

View Part Details
38

PARKRAY P150002 INNER DOOR RH-PNTD

Part No: 2400660 MPN: P150002

Sorry, this part is now obsolete

View Part Details
57

PARKRAY P150013 HINGE RH-FINISHED

Part No: 2400682 MPN: P150013

Sorry, this part is now obsolete

View Part Details
50

PARKRAY P115027 PHIAL POCKET 3/4" BSP BRASS

Part No: 2400246 MPN: P115027

Sorry, this part is now obsolete

View Part Details
52

PARKRAY P115083 SIDE SEALING FLANGE-RH (FORM)

Part No: 2400272 MPN: P115083

Sorry, this part is now obsolete

View Part Details
47

PARKRAY P115098 CASTING RH BASE FRONT 99/111

Part No: 2400278 MPN: P115098

Sorry, this part is now obsolete

View Part Details
30

PARKRAY P124121 ASHPIT COVER BRACKET (P+C)

Part No: 2400364 MPN: P124121

Sorry, this part is now obsolete

View Part Details
32

PARKRAY P130154 HIGH LEVEL D/ASHER-PNT C/CH/CT

Part No: 2400514 MPN: P130154

Sorry, this part is now obsolete

View Part Details
28

PARKRAY P134191 HINGE PIN-4.94X28-BLACKADISED

Part No: 2400586 MPN: P134191

Sorry, this part is now obsolete

View Part Details
15 products found