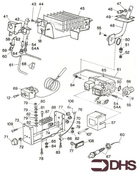
ECONOMY 24 & ECONOMY 24B PLUS / BURNER (Page 4)

GLOWWORM S203350 SOLENOID GAS VALVE 45900406.003 065

GLOWWORM S203350 SOLENOID GAS VALVE 45900406.003

Part No: 1333771 MPN: S203350

Sorry, this part is now obsolete

View Part Details
GLOWWORM 416189 THERMOSTAT 069

GLOWWORM 416189 THERMOSTAT

Part No: 1331859 MPN: 416189

Sorry, this part is now obsolete

View Part Details
47 products found