Uncategorised for Mira Elevate (10/07-Cur)

Brand: Mira Range: ELEVATE Model: (10/07-CUR)

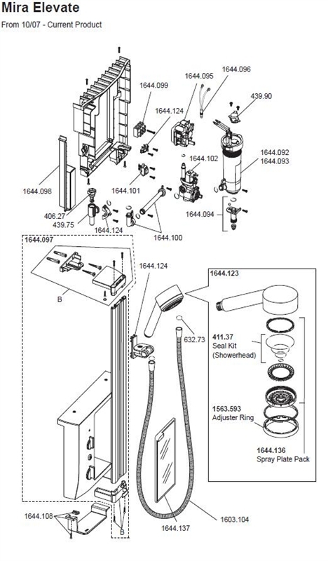
Here you will find all the spare parts for the Mira Elevate (10/07-Cur). Can't find the part you're looking for? You can contact us and a member of our team will be more than happy to help find the part you need.

All of our boiler manuals are free to download from our boiler manuals section

You can narrow your results further by choosing one of the following sub-appliances:

1644.123

MIRA 1.1644.123.1 SPARE ELEVATE HANDSET

Part No: 2311522 MPN: 1.1644.123.1

Sorry, this part is now obsolete

View Part Details
632.73

MIRA 1.632.73.4.0 RUBBER WASHER FLEX HOSE

Part No: 2314396 MPN: 1.632.73.4.0

Sorry, this part is now obsolete

View Part Details
2 products found