Baxi Boston 2 OF 70

We offer a wide range of spare parts for the Baxi Boston 2 OF 70. Can't find the part you're looking for? You can contact us (using the details at the bottom of the page) and we'll be happy to help you find the part you need.

All of our boiler manuals are free to download from our boiler manuals section.

ALL PARTS FOR THIS MODEL
BOILER ASSY logo
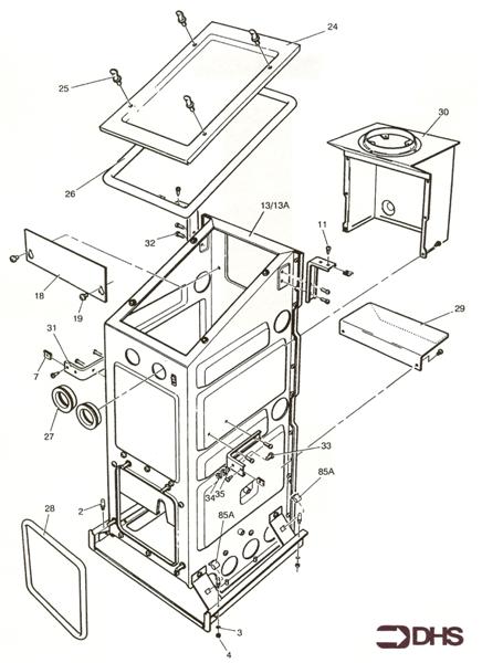
BOILER ASSY
BOX COMBUSTION logo
BOX COMBUSTION
BOX COMBUSTION 2 logo
BOX COMBUSTION 2
CONTROLS logo
CONTROLS
OUTER CASE ASSY logo
OUTER CASE ASSY
SHORT PARTS LIST logo
SHORT PARTS LIST
SHORT PARTS LIST