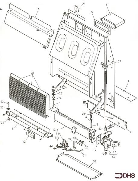
Baxi Firelite 4, Regency 4, Model 347

We offer a wide range of spare parts for the Baxi Firelite 4, Regency 4, Model 347. Can't find the part you're looking for? You can contact us (using the details at the bottom of the page) and we'll be happy to help you find the part you need.

All of our boiler manuals are free to download from our boiler manuals section.

ACCESSORIES logo
ACCESSORIES
ALL PARTS FOR THIS MODEL
ENGINE logo
ENGINE
FASCIA logo
FASCIA
SHORT PARTS LIST