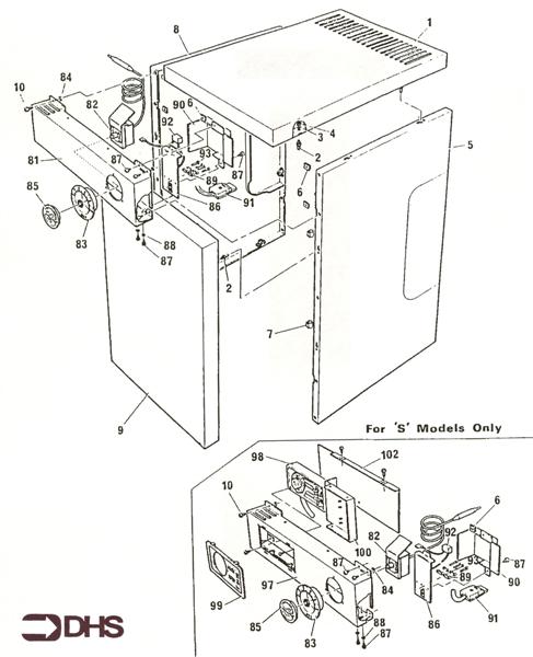
Baxi Floor Standing RS 401S / OUTER CASE ASSY
Brand: Baxi Range: Floor Standing Model: RS 401S GC Number: 41-077-11
We have a range of spare parts for the Baxi Floor Standing RS 401S. Can't find the part you're looking for? You can contact us and a member of our team will be more than happy to help find the part you need.
Installation ManualAll of our boiler manuals are free to download from our boiler manuals section
