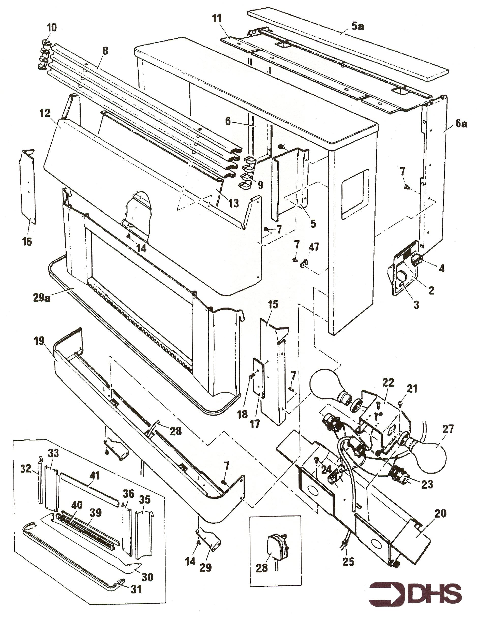
Baxi Gas Flame WS / OUTER CASING ASSY
Brand: Baxi Range: Gas Flame Model: WS GC Number: 32-077-24
Here you will find all the spare parts for the Baxi Gas Flame WS. Can't find the part you're looking for? You can contact us and a member of our team will be more than happy to help find the part you need.
All of our boiler manuals are free to download from our boiler manuals section
