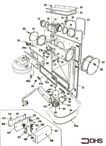
Baxi Solo WM PF 40/4 / INNER CASING
Brand: Baxi Range: Solo Model: WM PF 40/4 GC Number: 41-077-53
Here you can find the spare parts for the Baxi Solo WM PF 40/4. Can't find the part you're looking for? You can contact us and a member of our team will be more than happy to help find the part you need.
All of our boiler manuals are free to download from our boiler manuals section
