Baxi Solo WM PF 50/4

We offer a wide range of spare parts for the Baxi Solo WM PF 50/4. Can't find the part you're looking for? You can contact us (using the details at the bottom of the page) and we'll be happy to help you find the part you need.

All of our boiler manuals are free to download from our boiler manuals section.

ALL PARTS FOR THIS MODEL
BOX COMBUSTION logo
BOX COMBUSTION
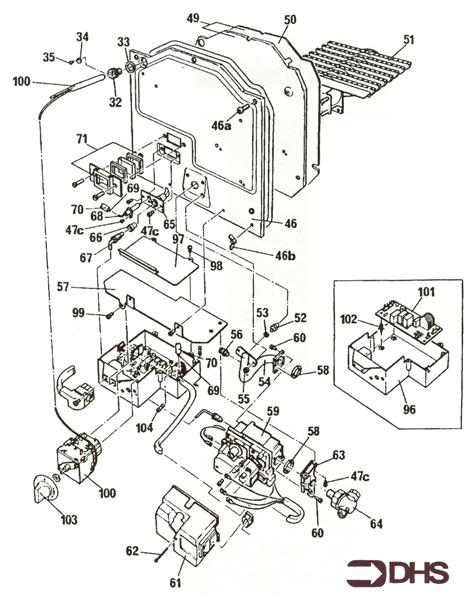
CONTROLS ASSY logo
CONTROLS ASSY
FLUE logo
FLUE
HEAT EXCHANGER logo
HEAT EXCHANGER
INNER CASING logo
INNER CASING
OUTER CASING ASSY logo
OUTER CASING ASSY
SHORT PARTS LIST
WIRING HARNESS logo
WIRING HARNESS