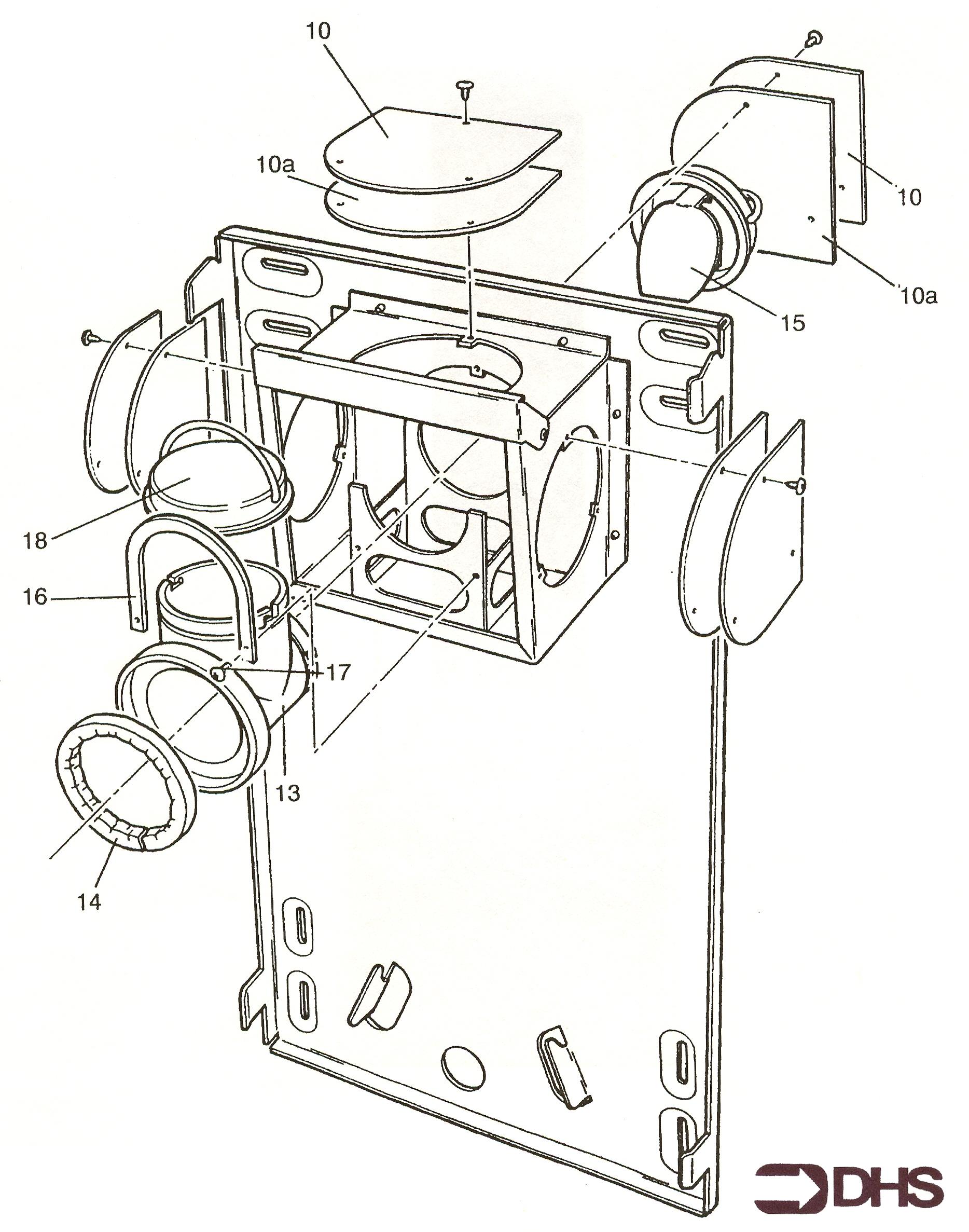
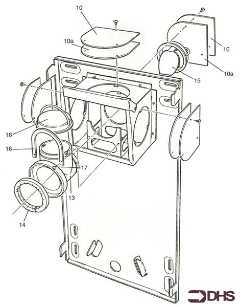
Baxi Solo 2 PF 70 / AIRBOX
Brand: Baxi Range: Solo 2 Model: PF 70 GC Number: 41-075-01
We have a range of spare parts for the Baxi Solo 2 PF 70. Can't find the part you're looking for? You can contact us and a member of our team will be more than happy to help find the part you need.
All of our boiler manuals are free to download from our boiler manuals section
