Biasi Riva Compact HE M96.24Sm/C2

We offer a wide range of spare parts for the Biasi Riva Compact HE M96.24Sm/C2. Can't find the part you're looking for? You can contact us (using the details at the bottom of the page) and we'll be happy to help you find the part you need.

All of our boiler manuals are free to download from our boiler manuals section.

ALL PARTS
ALL PARTS
CONTROL PANEL logo
CONTROL PANEL
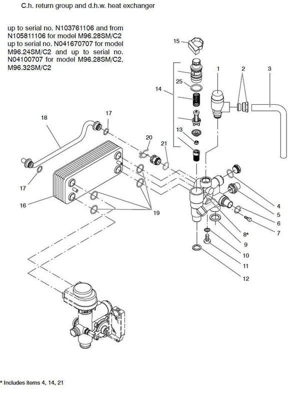
DHW HEAT EX, CH RETURN GROUP 1 logo
DHW HEAT EX, CH RETURN GROUP 1
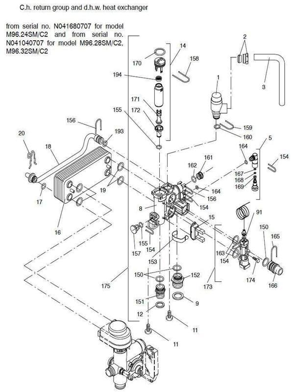
DHW HEAT EX, CH RETURN GROUP 2 logo
DHW HEAT EX, CH RETURN GROUP 2
DIVERTER , FLOW GROUP logo
DIVERTER , FLOW GROUP
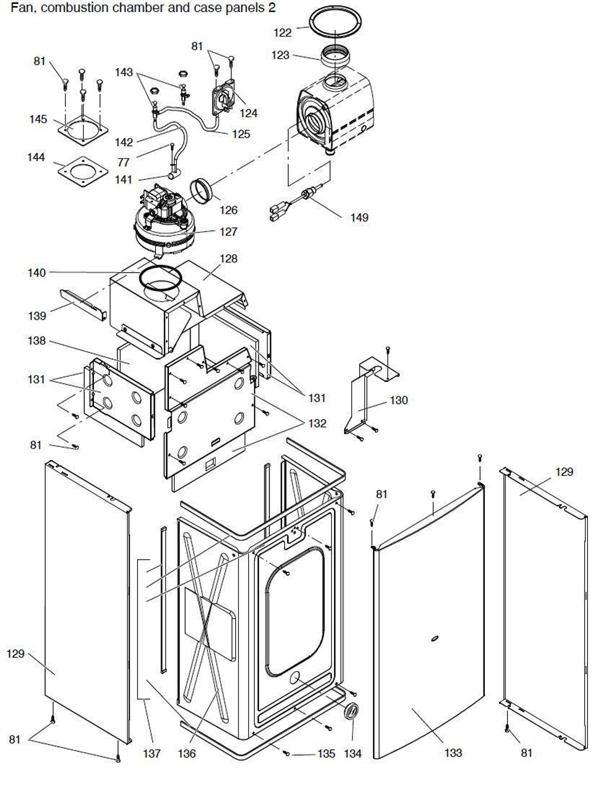
FAN,COMB CHAMBER,CASE logo
FAN,COMB CHAMBER,CASE
GAS ASSEMBLY logo
GAS ASSEMBLY
PUMP, MAIN CIRCUIT 1 logo
PUMP, MAIN CIRCUIT 1
PUMP, MAIN CIRCUIT 2 logo
PUMP, MAIN CIRCUIT 2
VALVES, CONNECTION PIPES logo
VALVES, CONNECTION PIPES
WIRING logo
WIRING