Broag Gas 110 Eco 65

We offer a wide range of spare parts for the Broag Gas 110 Eco 65. Can't find the part you're looking for? You can contact us (using the details at the bottom of the page) and we'll be happy to help you find the part you need.

All of our boiler manuals are free to download from our boiler manuals section.

ALL PARTS
ALL PARTS
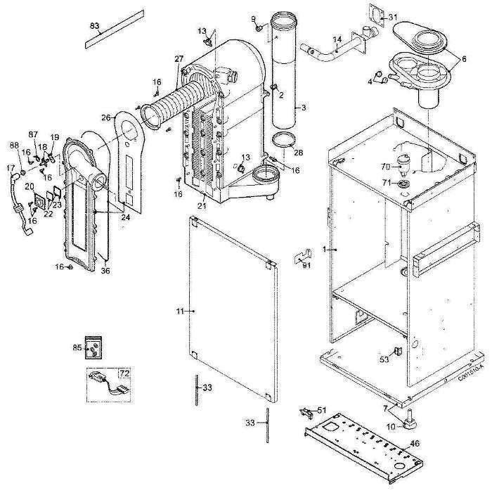
BOILER BODY ASSEMBLY logo
BOILER BODY ASSEMBLY
CASE ASSEMBLY logo
CASE ASSEMBLY
CONTROL PANEL logo
CONTROL PANEL
FAN/GAS VALVE ASSEMBLY logo
FAN/GAS VALVE ASSEMBLY