Broag Gas 360S 10 Section

We offer a wide range of spare parts for the Broag Gas 360S 10 Section. Can't find the part you're looking for? You can contact us (using the details at the bottom of the page) and we'll be happy to help you find the part you need.

All of our boiler manuals are free to download from our boiler manuals section.

ALL PARTS
ALL PARTS
CONTROL PANEL
CONTROL PANEL CASING
GAS SECTION logo
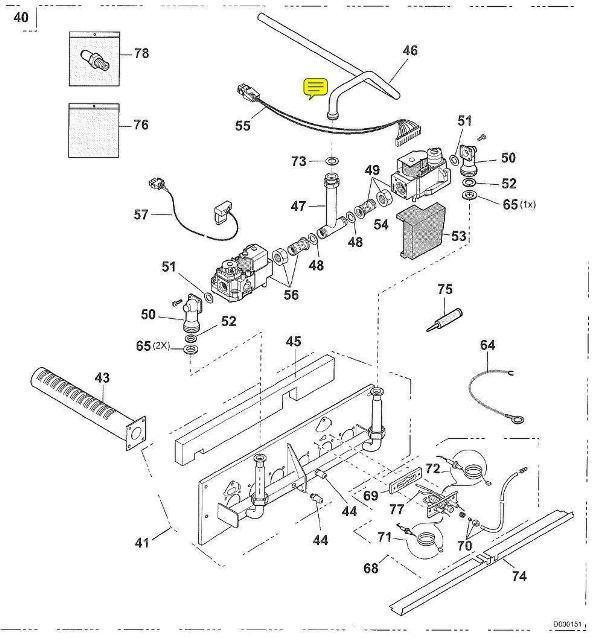
GAS SECTION
HEAT EXCHANGER logo
HEAT EXCHANGER