Baxi Genesis 96

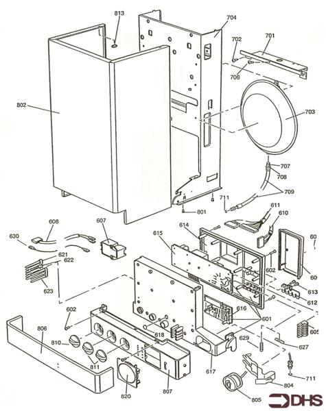
We offer a wide range of spare parts for the Baxi Genesis 96. Can't find the part you're looking for? You can contact us (using the details at the bottom of the page) and we'll be happy to help you find the part you need.

All of our boiler manuals are free to download from our boiler manuals section.

ALL PARTS FOR THIS MODEL
BOX COMBUSTION logo
BOX COMBUSTION
FLUE ASSY logo
FLUE ASSY
OPTIONAL EXTRAS
OUTERCASE/CONTROL logo
OUTERCASE/CONTROL
SHORT PARTS LIST
SUPPORT BRACKET logo
SUPPORT BRACKET
VALVE/MANIFOLD/PUMP logo
VALVE/MANIFOLD/PUMP