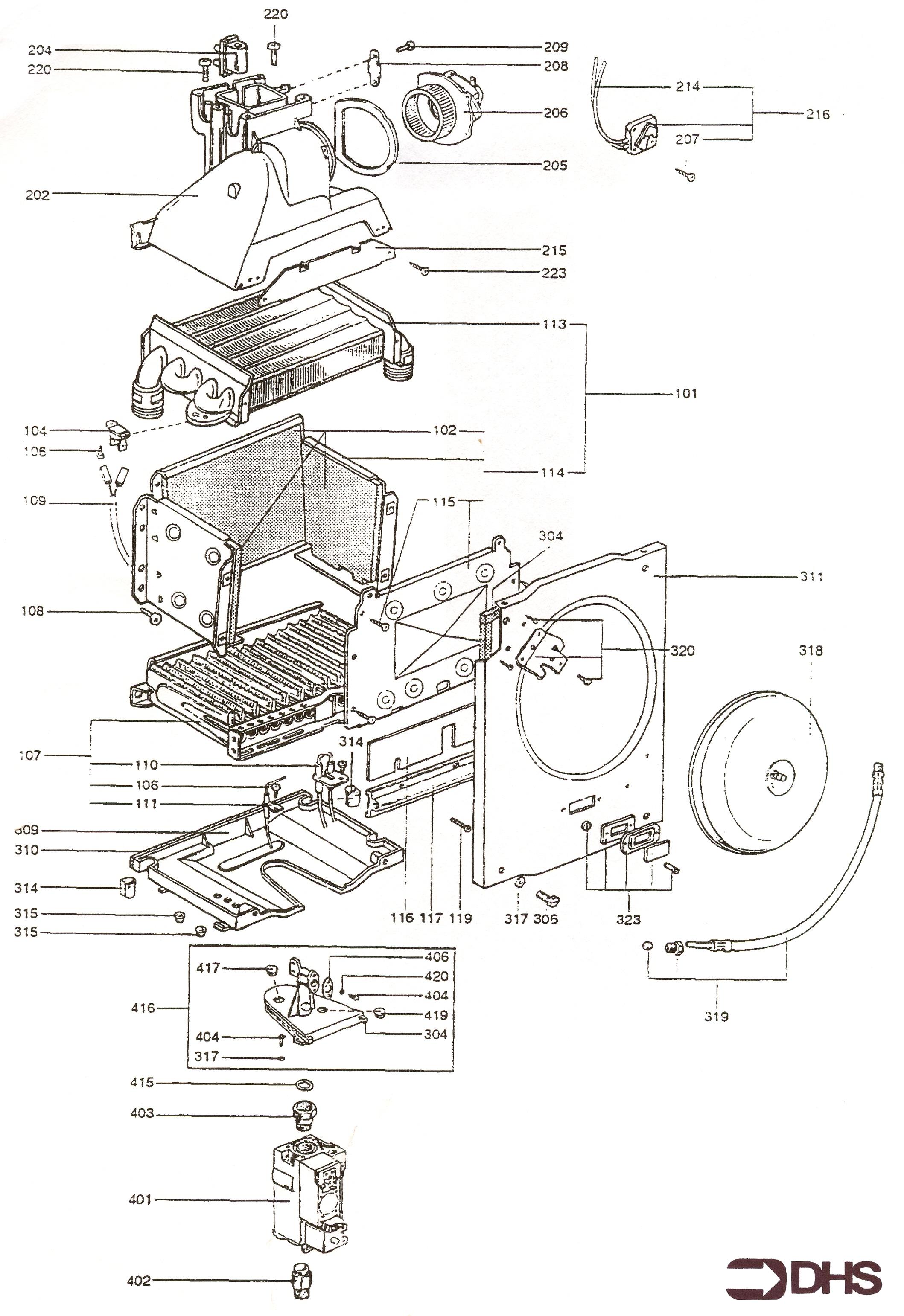
Chaffoteaux Sterling SB 60 / BURNER - FLUE - CASE - GAS SEC
Brand: Chaffoteaux Range: Sterling Model: SB 60 GC Number: 41-981-14
Here you can find the spare parts for the Chaffoteaux Sterling SB 60. Can't find the part you're looking for? You can contact us and a member of our team will be more than happy to help find the part you need.
All of our boiler manuals are free to download from our boiler manuals section
