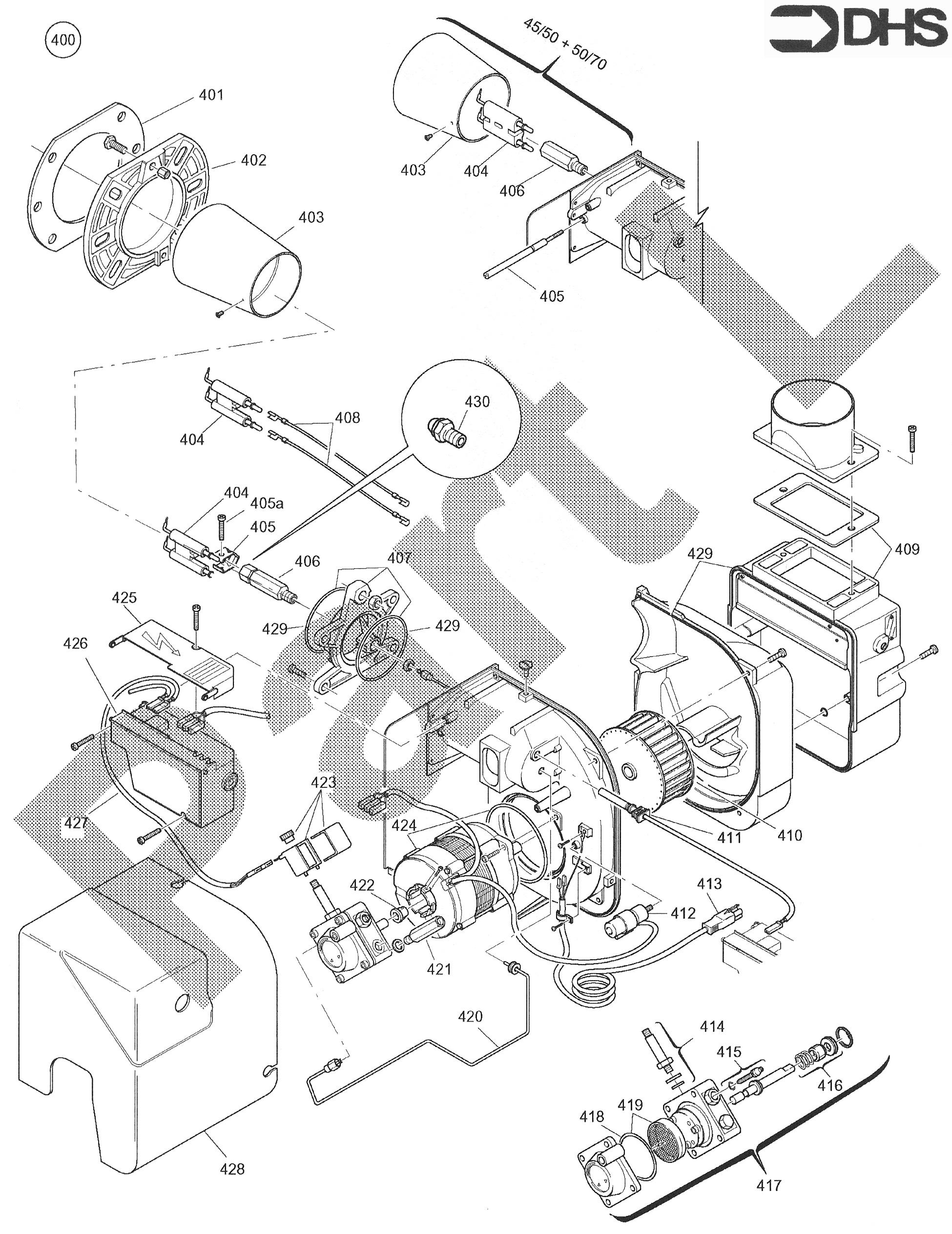
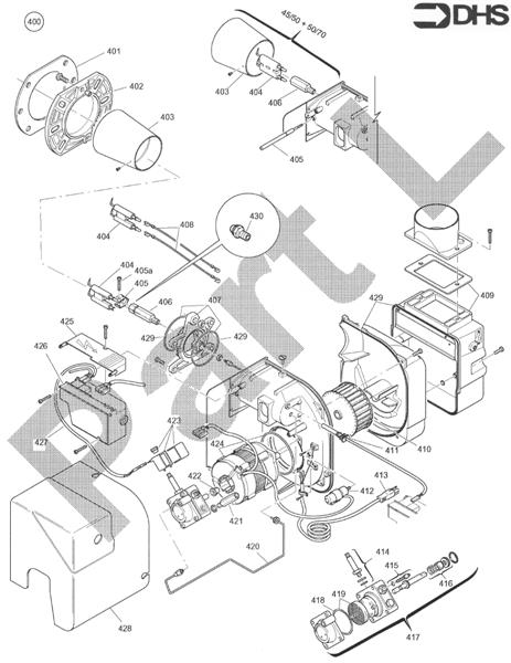
Potterton Statesman Kitchen L - Utility / BURNER ASSY - RIELO 1 & 2
Brand: Potterton Range: StateSMAN Model: KITCHEN L - Utility
We offer a wide range of spare parts for the Potterton Statesman Kitchen L - Utility. Can't find the part you're looking for? You can contact us and a member of our team will be more than happy to help find the part you need.
All of our boiler manuals are free to download from our boiler manuals section
