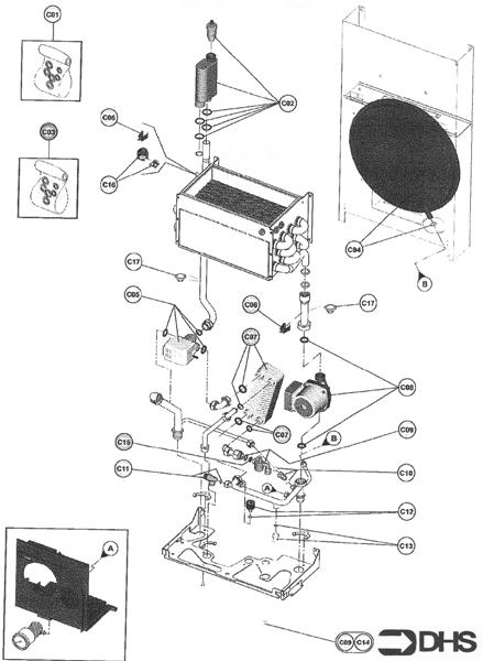
Ferroli Optimax 25 C

We offer a wide range of spare parts for the Ferroli Optimax 25 C. Can't find the part you're looking for? You can contact us (using the details at the bottom of the page) and we'll be happy to help you find the part you need.

All of our boiler manuals are free to download from our boiler manuals section.

ALL PARTS FOR THIS MODEL
CASING logo
CASING
GAS LINE logo
GAS LINE
HEAT EXCHANGER & PUMP logo
HEAT EXCHANGER & PUMP
SHORT PARTS LIST
WIRING ASSEMBLY logo
WIRING ASSEMBLY