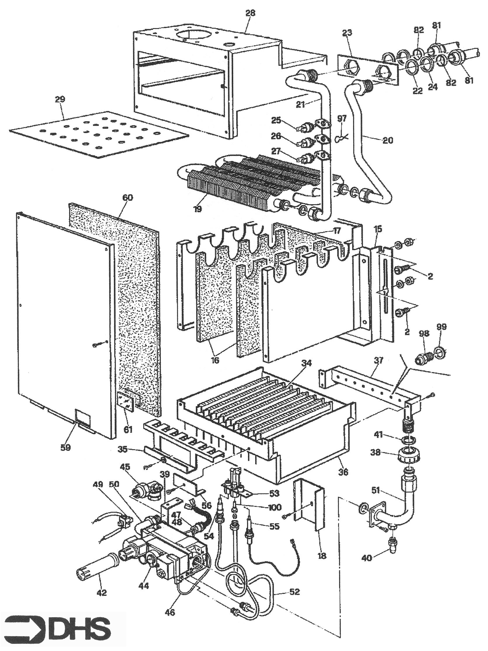
Ferroli Roma 55 FF/92 / GAS TRAIN & COMBUSTION CHAMBER
Brand: Ferroli Range: ROMA Model: 55 FF/92 GC Number: 41-267-05
We have a wide range of spare parts for the Ferroli Roma 55 FF/92. Can't find the part you're looking for? You can contact us and a member of our team will be more than happy to help find the part you need.
Installation ManualAll of our boiler manuals are free to download from our boiler manuals section
