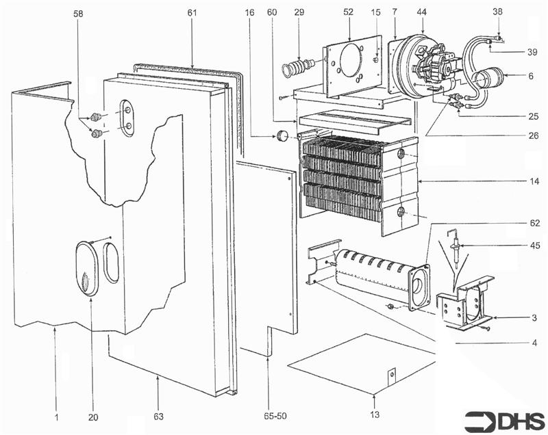
Ferroli Sigma 30-40

We offer a wide range of spare parts for the Ferroli Sigma 30-40. Can't find the part you're looking for? You can contact us (using the details at the bottom of the page) and we'll be happy to help you find the part you need.

All of our boiler manuals are free to download from our boiler manuals section.

ALL PARTS FOR THIS MODEL
ELECTRICAL - GAS LINE logo
ELECTRICAL - GAS LINE
FAN - HEAT EXCHANGER - BURNER logo
FAN - HEAT EXCHANGER - BURNER
SHORT PARTS LIST