Valor Gallery Coal Model 939 / ENGINE
Brand: Valor Range: Gallery Model: Coal Model 939
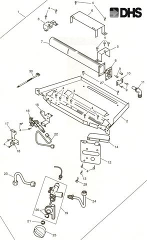
Here you will find all the spare parts for the Valor Gallery Coal Model 939. Can't find the part you're looking for? You can contact us and a member of our team will be more than happy to help find the part you need.
All of our boiler manuals are free to download from our boiler manuals section
