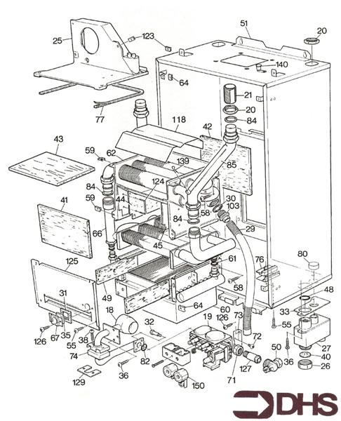
Glowworm Energysaver 60 / HEAT EXCHANGER
Brand: Glowworm Range: ENERGYSAVER Model: 60 GC Number: 41-319-71
Here you can find the spare parts for the Glowworm Energysaver 60. Can't find the part you're looking for? You can contact us and a member of our team will be more than happy to help find the part you need.
All of our boiler manuals are free to download from our boiler manuals section
