Glowworm Hardwick Manual / GAS CONTROL SECTION
Brand: Glowworm Range: HARDWICK Manual GC Number: 37-047-05
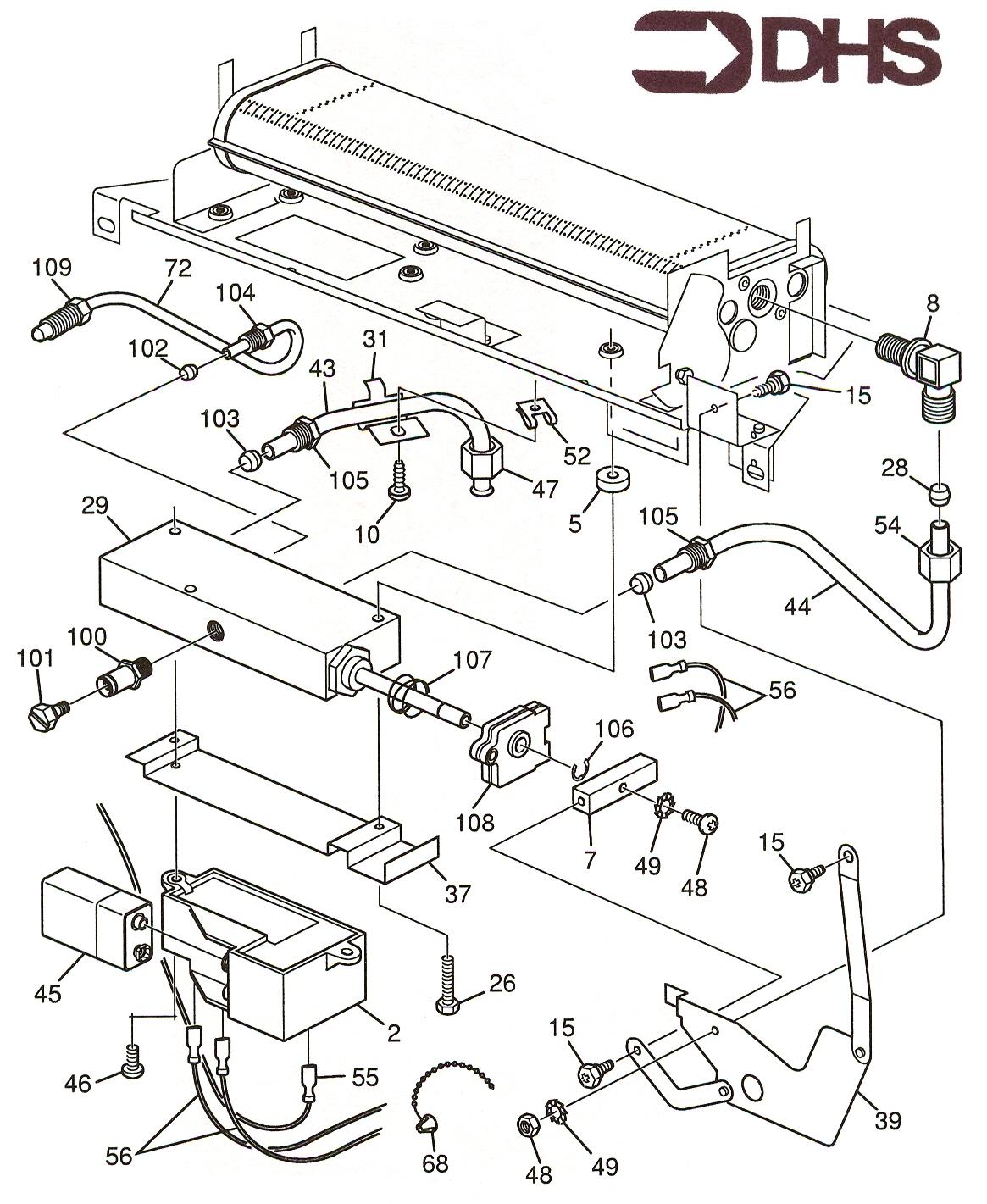
Here you will find all the spare parts for the Glowworm Hardwick Manual. Can't find the part you're looking for? You can contact us and a member of our team will be more than happy to help find the part you need.
All of our boiler manuals are free to download from our boiler manuals section
