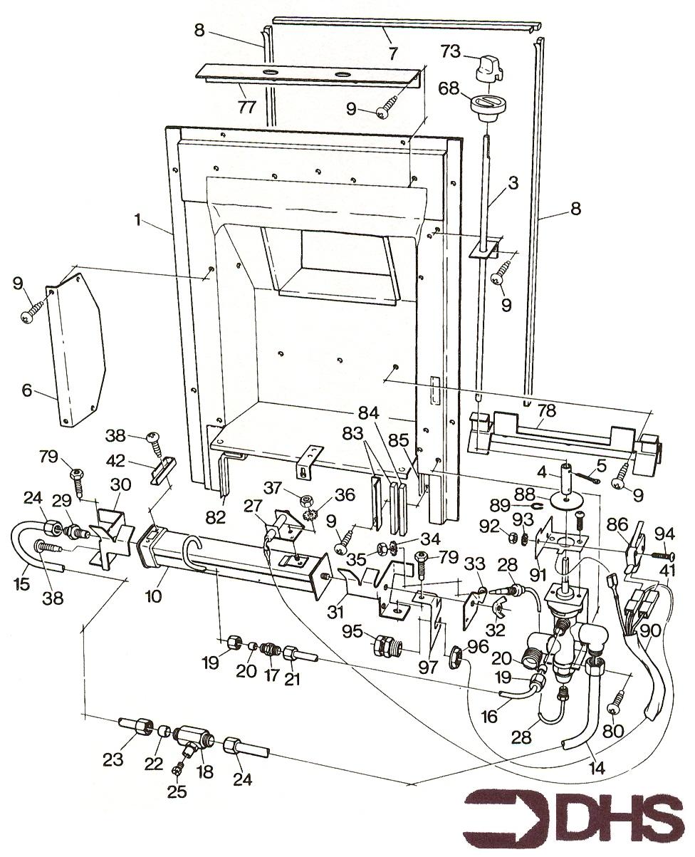
Glowworm Revival BBU / COMBUSTION CHAMBER
Brand: Glowworm Range: REVIVAL Model: BBU GC Number: 37-315-16
We have a wide range of spare parts for the Glowworm Revival BBU. Can't find the part you're looking for? You can contact us and a member of our team will be more than happy to help find the part you need.
All of our boiler manuals are free to download from our boiler manuals section
