Glowworm Swiftflow 80 S.I.T

We offer a wide range of spare parts for the Glowworm Swiftflow 80 S.I.T. Can't find the part you're looking for? You can contact us (using the details at the bottom of the page) and we'll be happy to help you find the part you need.

All of our boiler manuals are free to download from our boiler manuals section.

BURNER logo
BURNER
CASING logo
CASING
ELECTRONICS logo
ELECTRONICS
EXPANSION VESSEL NEW logo
EXPANSION VESSEL NEW
EXPANSION VESSEL OLD logo
EXPANSION VESSEL OLD
FLUE ASSY logo
FLUE ASSY
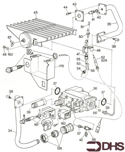
FULL PARTS LISTING FOR THIS MO
HEAT EXCHANGER logo
HEAT EXCHANGER
NOT ILLUSTRATED
SHORT PARTS LIST