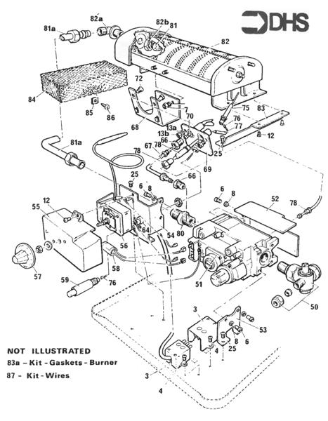
Baxi Bermuda 41299

We offer a wide range of spare parts for the Baxi Bermuda 41299. Can't find the part you're looking for? You can contact us (using the details at the bottom of the page) and we'll be happy to help you find the part you need.

All of our boiler manuals are free to download from our boiler manuals section.

ALL PARTS FOR THIS MODEL
BURNER logo
BURNER
COMBUSTION BOX logo
COMBUSTION BOX
SHORT PARTS LIST