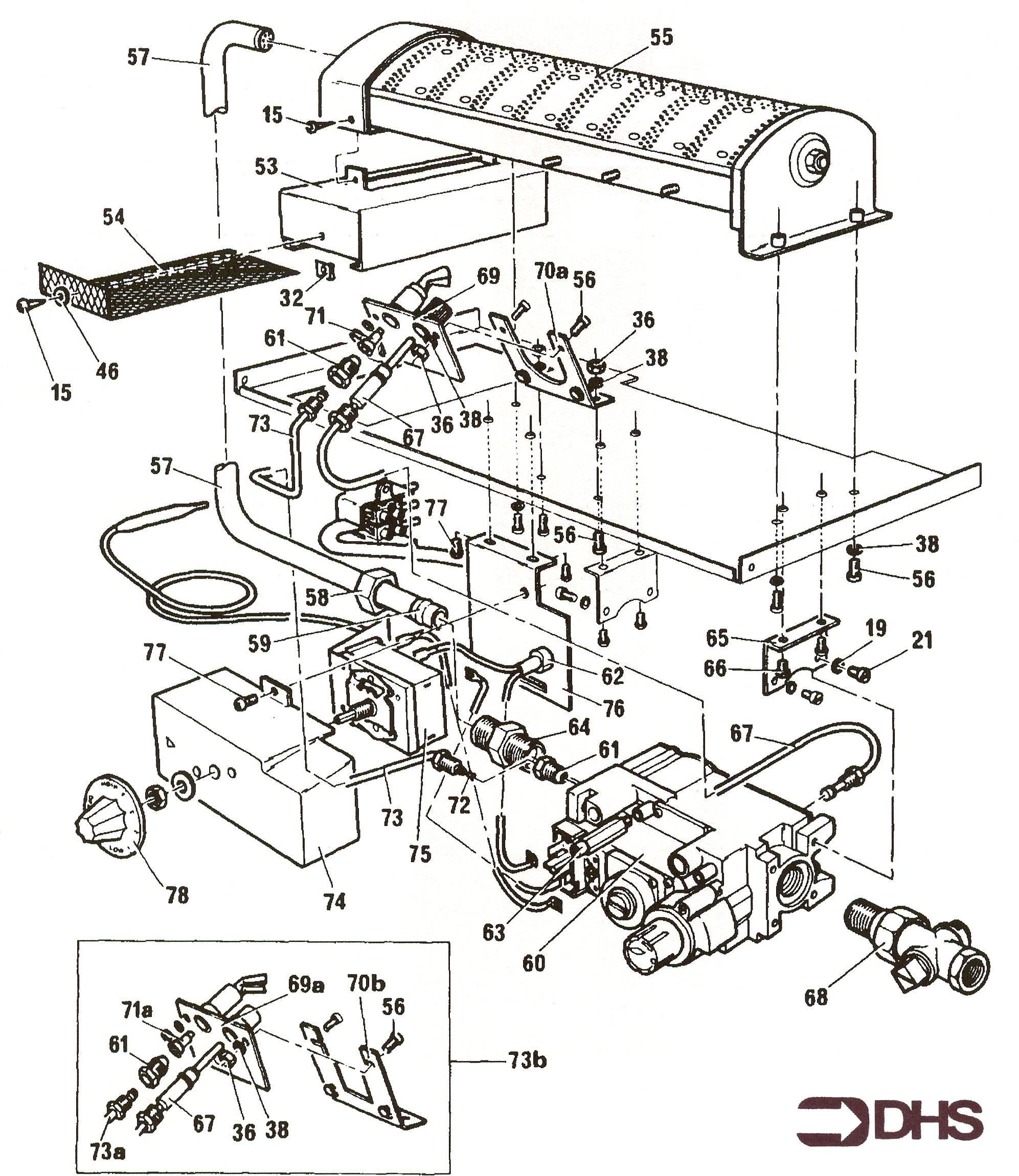
Baxi Wall Mounted OF 551 / CONTROLS ASSY
Brand: Baxi Range: Wall Mounted Model: OF 551 GC Number: 41-077-02
Here you can find the spare parts for the Baxi Wall Mounted OF 551. Can't find the part you're looking for? You can contact us and a member of our team will be more than happy to help find the part you need.
All of our boiler manuals are free to download from our boiler manuals section
067 Baxi 102005 Thermocouple - 18/24 Honeywell Q309A2721 STD - Bermuda/Brazilia
Part No: 1110952 MPN: 102005
066 Baxi 062532 Screw Tf M4 x 8mm Pan Pozi Zinc Plated - Bermuda/Barcelona/Boston
Part No: 1110602 MPN: 062532
015
Baxi 062571 Screw St No8 x 1/2 Pan.Hd Pz Zinc Plated A - Bermuda/Boston/Gas Flam
Part No: 1110616 MPN: 062571
077
Baxi 062560 Screw Tf M4 x 6mm Pan Pozi Zinc Plated - Bermuda/Apollo/Gas Flame
Part No: 1110612 MPN: 062560
