Myson Housewarmer 45 Electronic 946 Leg / BOILER

Brand: Myson Range: HOUSEWARMER Model: 45 ELECTRONIC 946 LEG

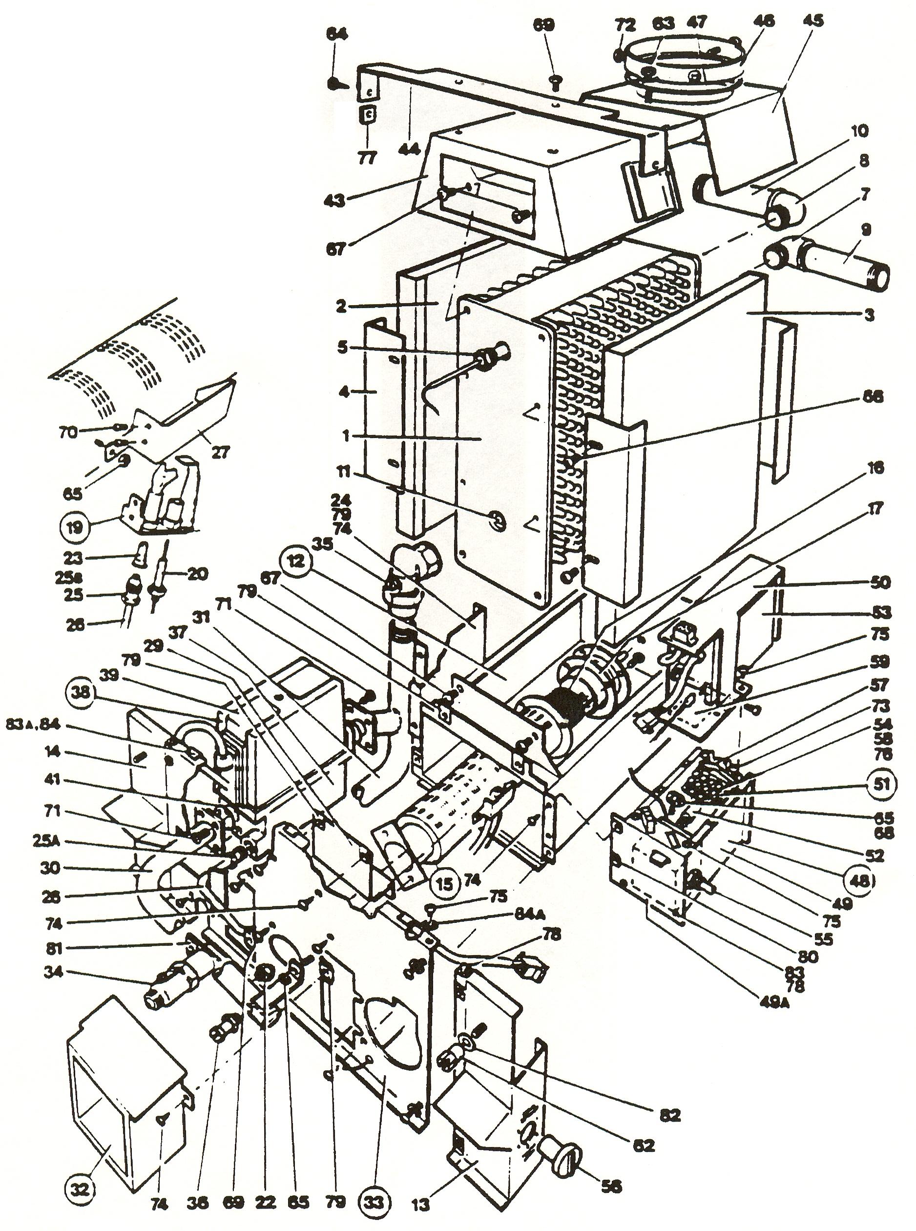
We have a wide range of spare parts for the Myson Housewarmer 45 Electronic 946 Leg. Can't find the part you're looking for? You can contact us and a member of our team will be more than happy to help find the part you need.

All of our boiler manuals are free to download from our boiler manuals section

039

HWEL 45900401008 GAS VALVE COVER -OBSOLETE

Part No: 1905003 MPN: 45900401-008

Sorry, this part is now obsolete

View Part Details
HWEL 45004388-001 COUPLING PILOT SUPPLY - OBSOLETE 25A

HWEL 45004388-001 COUPLING PILOT SUPPLY - OBSOLETE

Part No: 1905001 MPN: 45004388-001

Sorry, this part is now obsolete

View Part Details
HONEYWELL 45900421-011 PILOT INJECTOR (BP 10) 023

HONEYWELL 45900421-011 PILOT INJECTOR (BP 10)

Part No: 1902095 MPN: 45900421-011

Sorry, this part is now obsolete

View Part Details
3 products found