Ideal Commercial Concord ES 1200-1400 Dtg

We offer a wide range of spare parts for the Ideal Commercial Concord ES 1200-1400 Dtg. Can't find the part you're looking for? You can contact us (using the details at the bottom of the page) and we'll be happy to help you find the part you need.

All of our boiler manuals are free to download from our boiler manuals section.

ALL PARTS
BURNER ASSY logo
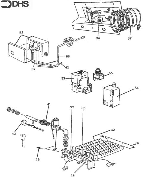
BURNER ASSY
CLEAN OUT COVER ASSY logo
CLEAN OUT COVER ASSY
COMBINATION CHAMBER logo
COMBINATION CHAMBER
SAFETY BOX ASSY logo
SAFETY BOX ASSY
SHORT PARTS LIST