Ideal Domestic Icombi 35

We offer a wide range of spare parts for the Ideal Domestic Icombi 35. Can't find the part you're looking for? You can contact us (using the details at the bottom of the page) and we'll be happy to help you find the part you need.

All of our boiler manuals are free to download from our boiler manuals section.

ALL PARTS
ALL PARTS
BOILER ASSEMBLY logo
BOILER ASSEMBLY
GAS SECTION logo
GAS SECTION
HEAT EX/CONTROL PANEL logo
HEAT EX/CONTROL PANEL
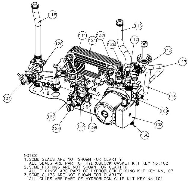
HYDRAULICS logo
HYDRAULICS
SHORT PARTS
SHORT PARTS LIST