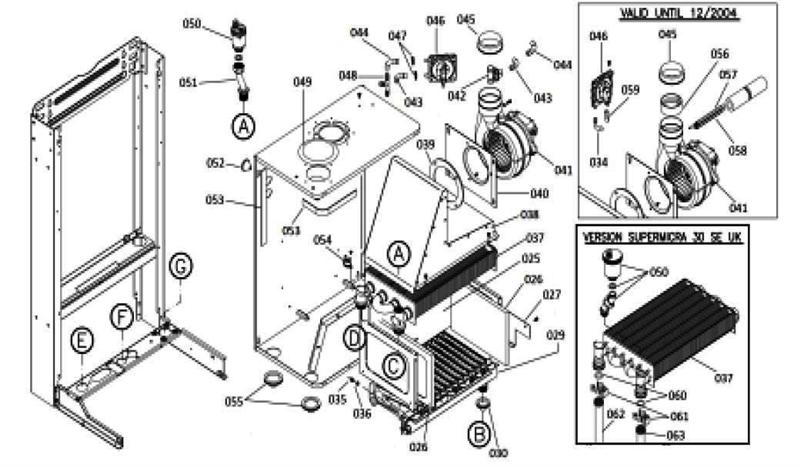
Ikon Supermica 24 Se

We offer a wide range of spare parts for the Ikon Supermica 24 Se. Can't find the part you're looking for? You can contact us (using the details at the bottom of the page) and we'll be happy to help you find the part you need.

All of our boiler manuals are free to download from our boiler manuals section.

ALL PARTS
CASE ASSEMBLY logo
CASE ASSEMBLY
CONTROL PANEL logo
CONTROL PANEL
HEAT EXCHANGER logo
HEAT EXCHANGER
HYDRAULICS logo
HYDRAULICS
SHORT PARTS LIST