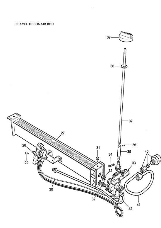
Flavel Debonair NG BBU / GAS PARTS
Brand: Flavel Range: Debonair Model: NG BBU Appliance Code: DEBONAIRBB
We have a range of spare parts for the Flavel Debonair NG BBU. Can't find the part you're looking for? You can contact us and a member of our team will be more than happy to help find the part you need.
All of our boiler manuals are free to download from our boiler manuals section
