Flavel Karizma FF / GAS PARTS

Brand: Flavel Range: Karizma Model: FF GC Number: 42-540-FL

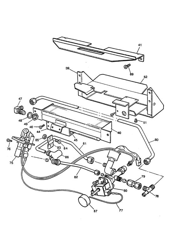
We have a wide range of spare parts for the Flavel Karizma FF. Can't find the part you're looking for? You can contact us and a member of our team will be more than happy to help find the part you need.

All of our boiler manuals are free to download from our boiler manuals section

KINDER FC-P089383 OXYPILOT (OP 9057) J4 075

KINDER FC-P089383 OXYPILOT (OP 9057) J4

Part No: 2130009 MPN: FC-P089383

£120.00 inc VAT

In stock - Next day delivery available

047

KINDER FC-P089890 INJECTOR

Part No: 2132074 MPN: FC-P089890

£15.53 inc VAT

Available in 5-7 working days

081

KINDER FC-A089922 CONTROL TAP TO PILOT PIPE KIT

Part No: 2131700 MPN: FC-A089922

£19.62 inc VAT

Available in 5-7 working days

050

KINDER FC-P089935 SOLENOID VALVE & TAP ASSEMBLY

Part No: 2132086 MPN: FC-P089935

£172.36 inc VAT

Available in 5-7 working days

086

KINDER FC-P089913 RESTRICTOR ELBOW 0251

Part No: 2132080 MPN: FC-P089913

Sorry, this part is now obsolete

View Part Details
087

KINDER FC-P089632 CONTROL KNOB ASSEMBLY

Part No: 2132024 MPN: FC-P089632

Sorry, this part is now obsolete

View Part Details
045

KINDER FC-P089639 INJECTOR MUFFLER

Part No: 2132026 MPN: FC-P089639

Sorry, this part is now obsolete

View Part Details
7 products found