30-60 F SIDE OR REAR FLUE SEAL / SYSTEM SEALED BOILER ASSY

010

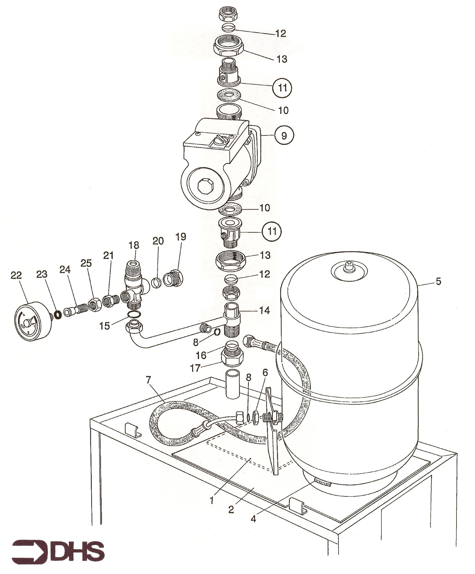
MYSON 404C587 WASHER.

Part No: 1131152 MPN: 404C587

Sorry, this part is now obsolete

View Part Details
025

MYSON 10/18950 UNION NUT 1/4"

Part No: 1130215 MPN: 10/18950

Sorry, this part is now obsolete

View Part Details
2 products found