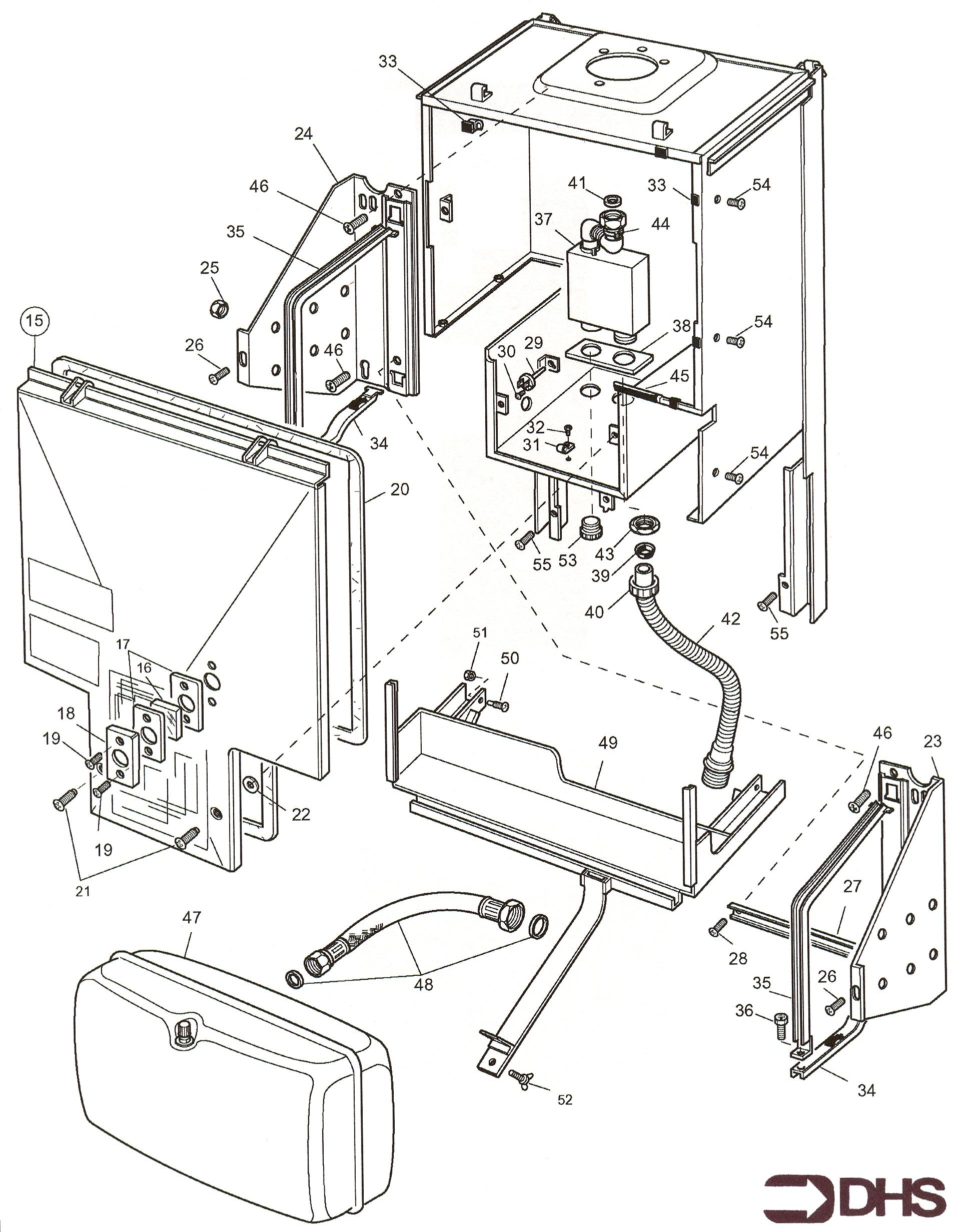
Potterton Envoy Flowsure + Flowsure Plus / INNER CASING ASSY
Brand: Potterton Range: ENVOY Model: FLOWSURE + FLOWSURE Plus GC Number: 41-607-89
We offer a wide range of spare parts for the Potterton Envoy Flowsure + Flowsure Plus. Can't find the part you're looking for? You can contact us and a member of our team will be more than happy to help find the part you need.
All of our boiler manuals are free to download from our boiler manuals section
