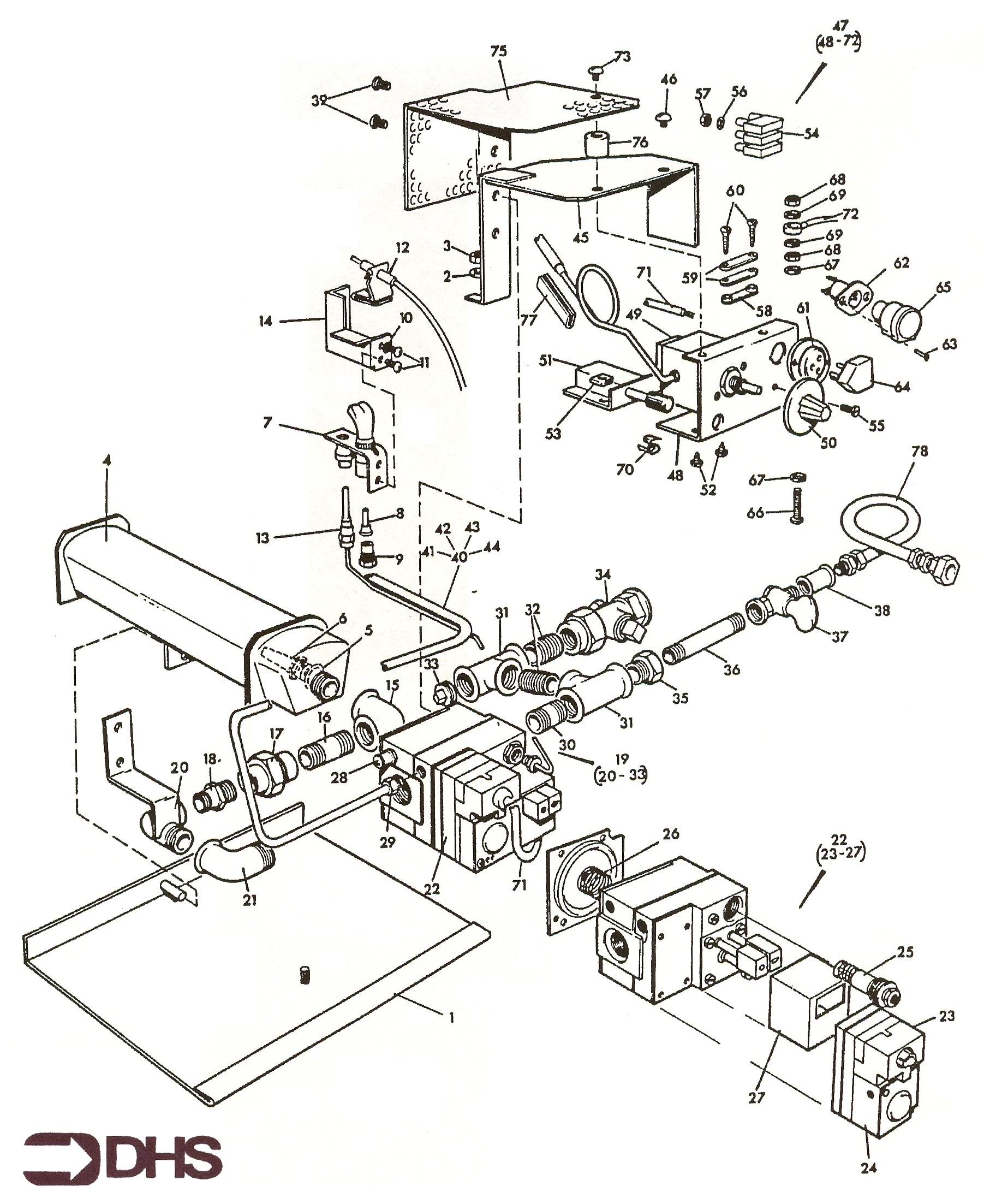
Potterton Fireside 51 Cat 1 Tg Type 3 Ve / NATURAL GAS ASSY

Brand: Potterton Range: FIRESIDE Model: 51 CAT 1 TG TYPE 3 VE GC Number: 44-590-03

We have a range of spare parts for the Potterton Fireside 51 Cat 1 Tg Type 3 Ve. Can't find the part you're looking for? You can contact us and a member of our team will be more than happy to help find the part you need.

All of our boiler manuals are free to download from our boiler manuals section

002/069

POTTERTON 617164 WASHER FORM C M5 SN

Part No: 1124011 MPN: 617164

£4.31 inc VAT

Available in 5-7 working days

POTTERTON Q309A2788 THERMOCOUPLE 013

POTTERTON Q309A2788 THERMOCOUPLE

Part No: 1126174 MPN: Q309A2788

£14.57 inc VAT

In stock - Next day delivery available

046

POTTERTON 633926 SCREW PANPOZ M5X10 MS NP

Part No: 1124205 MPN: 633926

Sorry, this part is now obsolete

View Part Details
021

POTTERTON ELBOW 1/2 X 1/2 M&F GF

Part No: 1124075 MPN: 627101

Sorry, this part is now obsolete

View Part Details
070

POTTERTON 630693 EDGE CLIP FT TYPE 2642

Part No: 1124132 MPN: 630693

Sorry, this part is now obsolete

View Part Details
015

POTTERTON 626914 ELBO REDUC F/F 1/2X3/8BSP

Part No: 1124073 MPN: 626914

Sorry, this part is now obsolete

View Part Details
011

POTTERTON 601435 SCREW 2BAX7.7 HEX SLT SN

Part No: 1123962 MPN: 601435

Sorry, this part is now obsolete

View Part Details
023

POTTERTON 904750 OPERATOR SOLONOID TRADELINE

Part No: 1124582 MPN: 904750

Sorry, this part is now obsolete

View Part Details
025

POTTERTON 904752 POWER UNIT

Part No: 1124584 MPN: 904752

Sorry, this part is now obsolete

View Part Details
037

POTTERTON 629803 COCK, GAS 1/4" M/F

Part No: 1124088 MPN: 629803

Sorry, this part is now obsolete

View Part Details
017

POTTERTON 625824 STRAIGHT UNION 3/8" BSP

Part No: 1124043 MPN: 625824

Sorry, this part is now obsolete

View Part Details
044

POTTERTON 641194 PTFE SLEEVE

Part No: 1124300 MPN: 641194

Sorry, this part is now obsolete

View Part Details
054

POTTERTON 640791 TERMINAL BLK 6 WAY 10AMP

Part No: 1124264 MPN: 640791

Sorry, this part is now obsolete

View Part Details
010/097

POTTERTON 617418 WASHER S/P M5 EXT TEETH

Part No: 1124027 MPN: 617418

Sorry, this part is now obsolete

View Part Details
049

POTTERTON STAT RANCOO T 9301

Part No: 1122491 MPN: 404435

Sorry, this part is now obsolete

View Part Details
15 products found