Potterton FRS 38 Junkers (Early Model)

We offer a wide range of spare parts for the Potterton FRS 38 Junkers (Early Model). Can't find the part you're looking for? You can contact us (using the details at the bottom of the page) and we'll be happy to help you find the part you need.

All of our boiler manuals are free to download from our boiler manuals section.

ALL PARTS FOR THIS MODEL
CASING ASSY
COMB CHAMBER AND HEAT EXCH logo
COMB CHAMBER AND HEAT EXCH
CONTROL BOXES
GAS ASSY - HONEYWELL logo
GAS ASSY - HONEYWELL
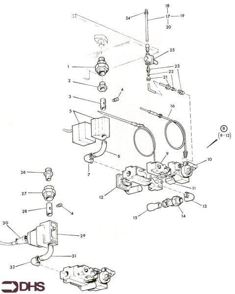
GAS ASSY - JUNKERS logo
GAS ASSY - JUNKERS
SHORT PARTS LIST
WATER PIPEWORK logo
WATER PIPEWORK