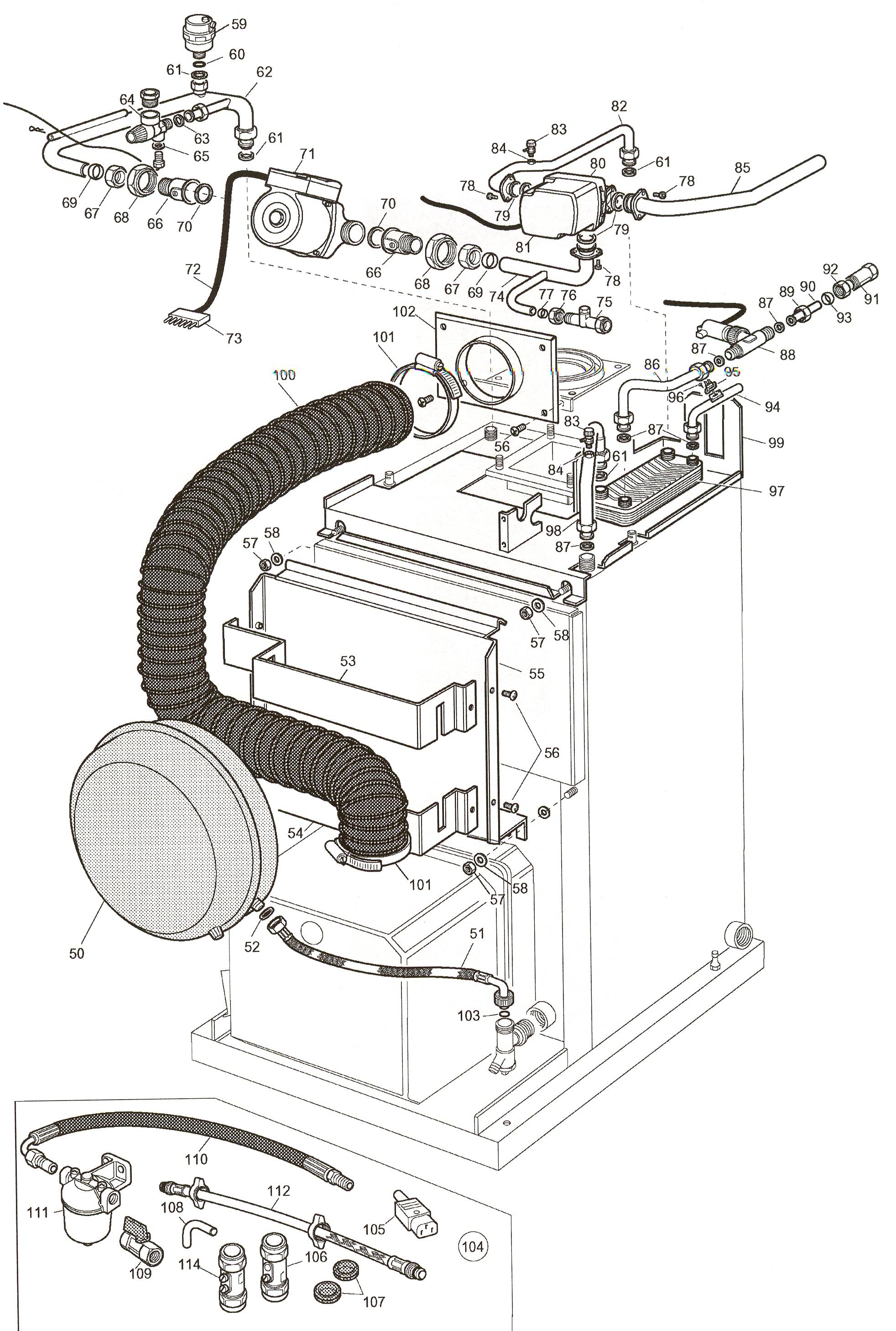
Potterton Statesman Flowsure / INNER CASING
Brand: Potterton Range: StateSMAN Model: FLOWSURE
We have a wide range of spare parts for the Potterton Statesman Flowsure. Can't find the part you're looking for? You can contact us and a member of our team will be more than happy to help find the part you need.
All of our boiler manuals are free to download from our boiler manuals section
