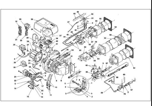
Riello Press 3G 608T2 3475918

We offer a wide range of spare parts for the Riello Press 3G 608T2 3475918. Can't find the part you're looking for? You can contact us (using the details at the bottom of the page) and we'll be happy to help you find the part you need.

All of our boiler manuals are free to download from our boiler manuals section.

ALL PARTS logo
ALL PARTS