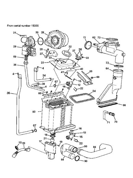
Glowworm Flexicom HX 18 / HEAT ENGINE FR SN15000
Brand: Glowworm Range: FLEXICOM Model: HX 18 GC Number: 41-315-42
We have a wide range of spare parts for the Glowworm Flexicom HX 18. Can't find the part you're looking for? You can contact us and a member of our team will be more than happy to help find the part you need.
All of our boiler manuals are free to download from our boiler manuals section

Saunier Duval S5739800 Temperature Sensor - Isofast F/Isomax F/Themaclassic
Part No: 1416330 MPN: S5739800