Ikon Icon 23T

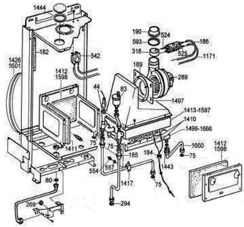
We offer a wide range of spare parts for the Ikon Icon 23T. Can't find the part you're looking for? You can contact us (using the details at the bottom of the page) and we'll be happy to help you find the part you need.

All of our boiler manuals are free to download from our boiler manuals section.

ALL PARTS
ALL PARTS
BURNER/FAN/HEAT EX logo
BURNER/FAN/HEAT EX
CONNECTION PIPES logo
CONNECTION PIPES
CONTROLS ASSEMBLY logo
CONTROLS ASSEMBLY
HYDRAULICS logo
HYDRAULICS
OUTER CASE logo
OUTER CASE
SHORT PARTS LIST
SHORT PARTS LIST