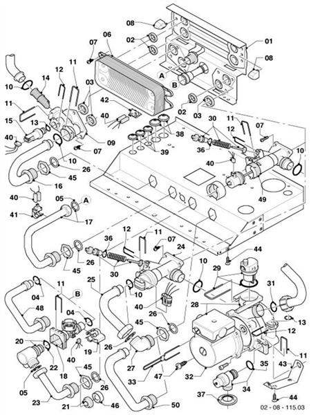
Vaillant VUW 316/3-5 (2005-2005)

We offer a wide range of spare parts for the Vaillant VUW 316/3-5 (2005-2005). Can't find the part you're looking for? You can contact us (using the details at the bottom of the page) and we'll be happy to help you find the part you need.

All of our boiler manuals are free to download from our boiler manuals section.

ALL PARTS
BURNER logo
BURNER
CASING PARTS logo
CASING PARTS
CONNECTION PARTS logo
CONNECTION PARTS
CONNECTION PARTS (ACC) logo
CONNECTION PARTS (ACC)
CONNECTION PARTS (HYDROBLOC) logo
CONNECTION PARTS (HYDROBLOC)
CONTROL BOX logo
CONTROL BOX
HEAT EXCHANGER logo
HEAT EXCHANGER