Baxi Brava 4 Black Beauty / ENGINE
Brand: Baxi Range: Brava 4 Model: Black Beauty GC Number: 32-032-62
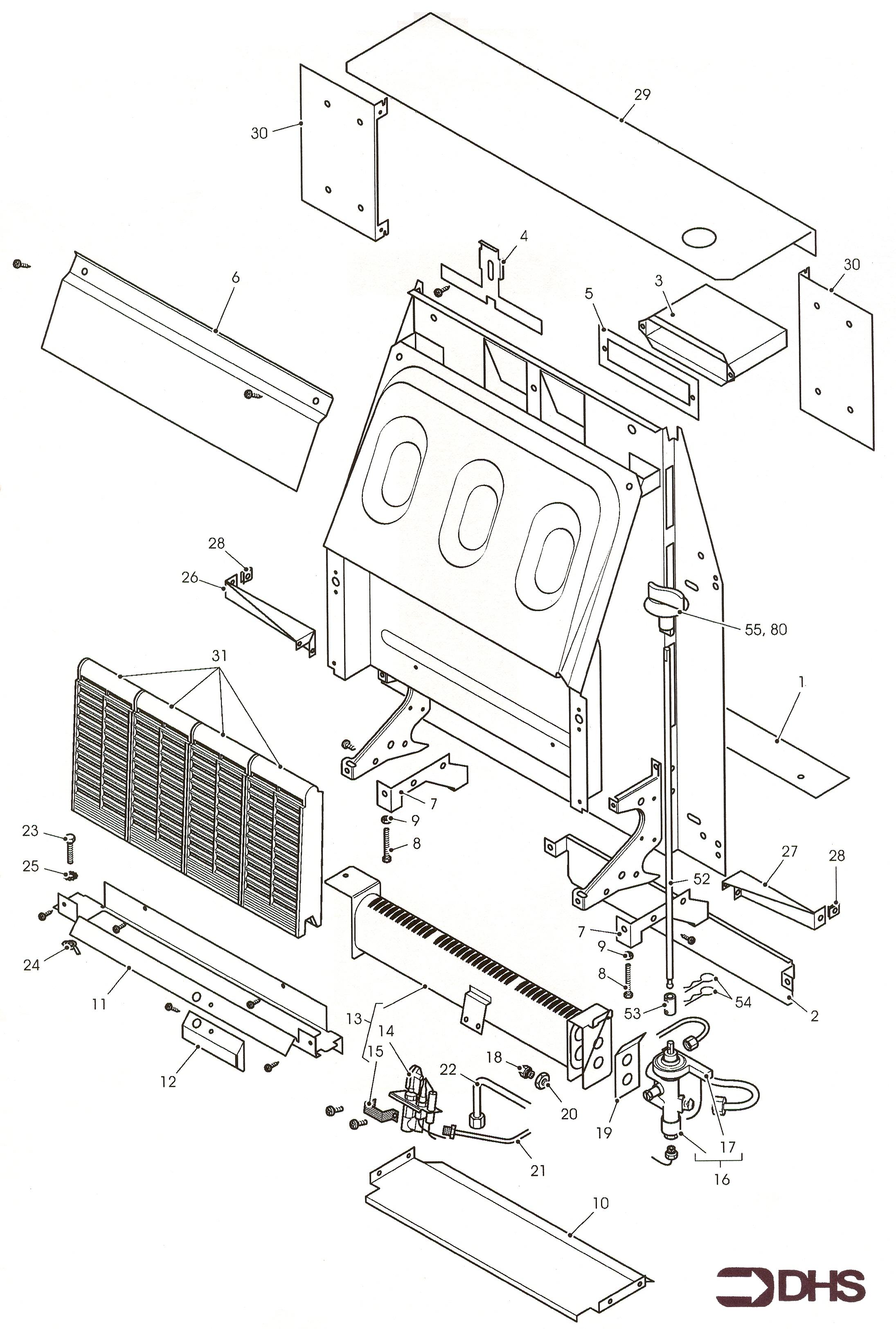
Here you can find the spare parts for the Baxi Brava 4 Black Beauty. Can't find the part you're looking for? You can contact us and a member of our team will be more than happy to help find the part you need.
All of our boiler manuals are free to download from our boiler manuals section
