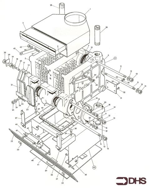
Potterton Fireside Super / WATERWAY/DRAUGHT
Brand: Potterton Range: FIRESIDE Model: Super GC Number: 44-590-13
Here you can find the spare parts for the Potterton Fireside Super. Can't find the part you're looking for? You can contact us and a member of our team will be more than happy to help find the part you need.
All of our boiler manuals are free to download from our boiler manuals section
