Potterton Jetta 35/51 FIRE

We offer a wide range of spare parts for the Potterton Jetta 35/51 FIRE. Can't find the part you're looking for? You can contact us (using the details at the bottom of the page) and we'll be happy to help you find the part you need.

All of our boiler manuals are free to download from our boiler manuals section.

ALL PARTS FOR THIS MODEL
BURNER/ HEAT EXCH. ASSY logo
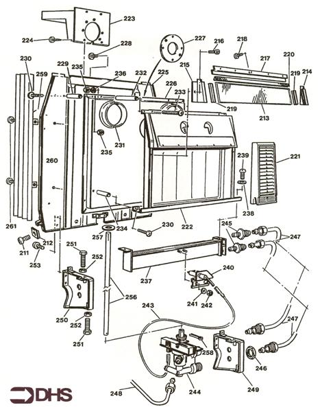
BURNER/ HEAT EXCH. ASSY
OUTER CASING ASSY logo
OUTER CASING ASSY
SHORT PARTS LIST