Kinder Colorado LPG

We offer a wide range of spare parts for the Kinder Colorado LPG. Can't find the part you're looking for? You can contact us (using the details at the bottom of the page) and we'll be happy to help you find the part you need.

All of our boiler manuals are free to download from our boiler manuals section.

ALL PARTS
ALL PARTS
FIREBOX ASSY logo
FIREBOX ASSY
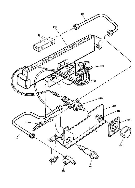
GAS PARTS logo
GAS PARTS