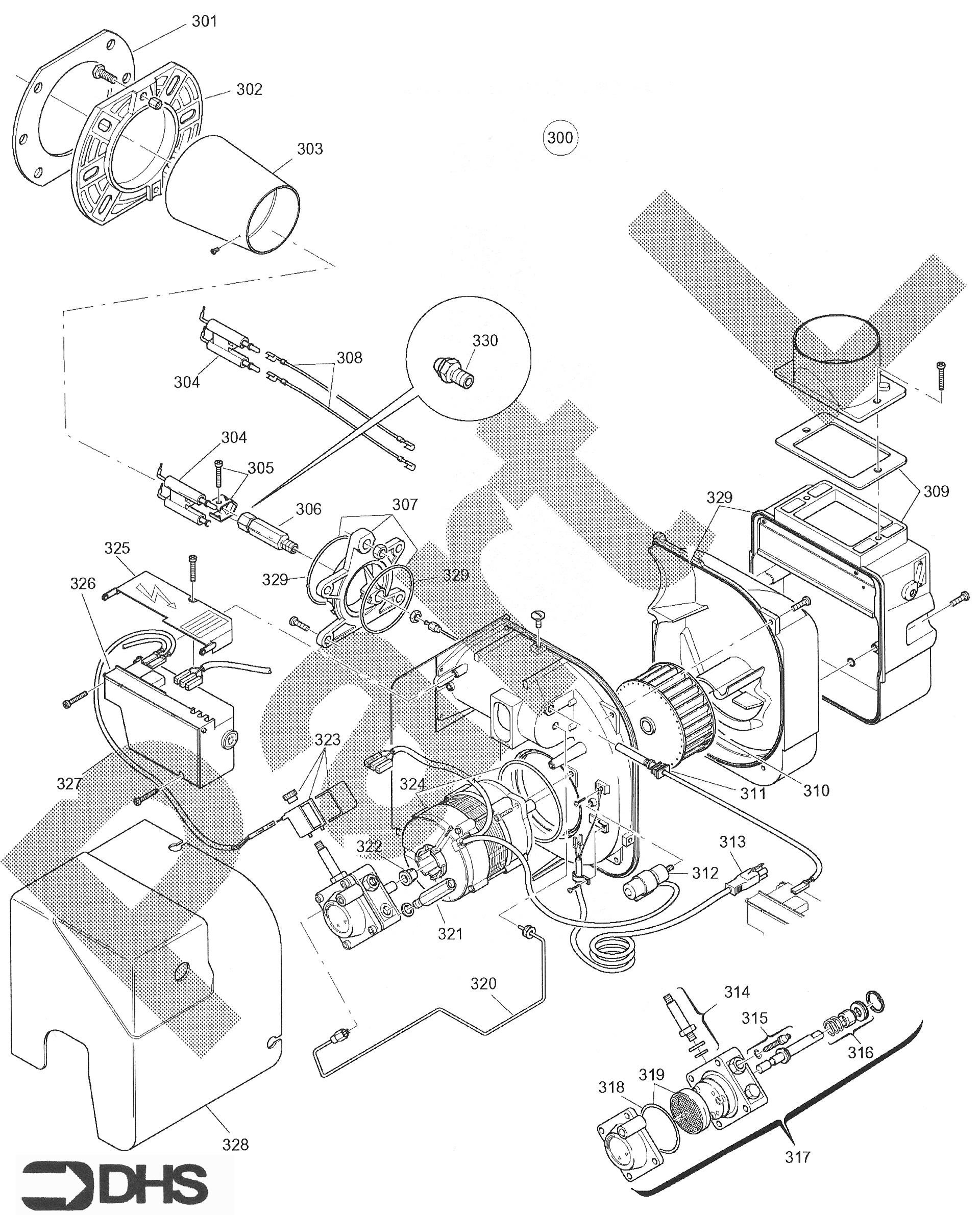
Potterton Statesman System L / BURNER ASSY
Brand: Potterton Range: StateSMAN Model: System L GC Number: 51-072-06
We have a range of spare parts for the Potterton Statesman System L. Can't find the part you're looking for? You can contact us and a member of our team will be more than happy to help find the part you need.
All of our boiler manuals are free to download from our boiler manuals section
