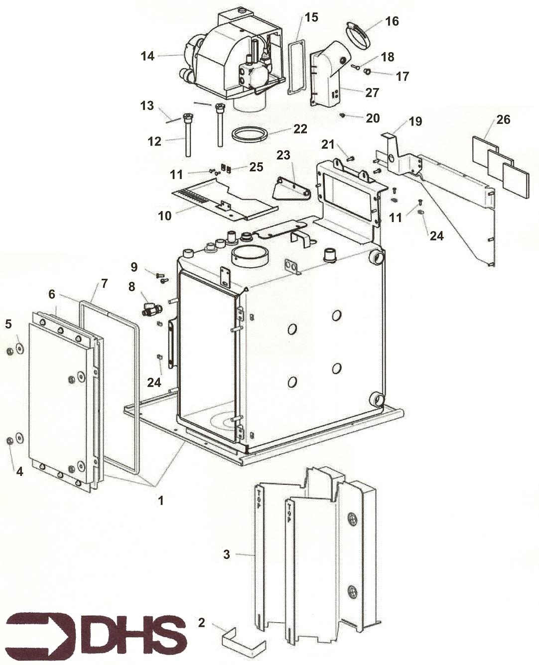
Worcester Greenstar Heatslave 18/25 OSO Oil / HEAT EXCHANGER ASSEMBLY 2
Brand: Worcester Range: Greenstar Model: HEATSLAVE 18/25 OSO Oil Appliance Code: 7716100098
We offer a wide range of spare parts for the Worcester Greenstar Heatslave 18/25 OSO Oil. Can't find the part you're looking for? You can contact us and a member of our team will be more than happy to help find the part you need.
All of our boiler manuals are free to download from our boiler manuals section
8 Worcester Bosch 8716119692 Oil Line Valve - Camray/Danesmoor/Greenstar
Part No: 1020440 MPN: 8716119692
11 Worcester Bosch 87161153060 Screw - Pack of 10 - 8x1/2" - CDi/Si/Junior
Part No: 1030669 MPN: 87161153060
22 Worcester Bosch 87161409020 Burner Gasket Seal - Danesmoor/Greenstar/Heatslave
Part No: 1017599 MPN: 87161409020
011 Worcester Bosch 29124212250 Flat Head Type B Self Tap Screw - 8x1/2 - Pack of 10
Part No: 1011109 MPN: 29124212250
25 Worcester Bosch 87161482040 Captive Nut - No:8 - CDi/Camray/Danesmoor
Part No: 1019159 MPN: 87161482040
